欢迎进入纳加霍里科技(深圳)有限公司网站!
设为首页
|
加入收藏
服务电话:0755-23172186
主营产品:
BISHAMON搬运车,OPK叉车,KYOMACHI油桶搬运车,YODONO脚轮,FREEBEAR万向滚珠,KONSEI气爪
网站首页
公司信息
产品中心
品牌专区
新闻动态
技术支持
资料下载
在线留言
联系我们
talksystem
RefineTec金相
KYOWA(株)協和製作所
KYOWA(株)協和製作所
MTL微技术实验室
KANTOH升降车
日本JFE气体泄漏检测仪
OPK鸥琵凯
小林铁工
ASUMARU滑纸
MicroSquare微方
MicroStone微石
日本TALKSYSTEM
新品展示
BM25SS,电动液压托盘车,半电动托盘车,手动液压托盘车 BISHAMON毘沙门
BM15S3,实用叉车,耐用叉车,搬运车, 前移式电动叉车,液压托盘车 BISHAMON毘沙门
BM11SS,电动叉车,重型叉车,集装箱叉车,侧面叉车,仓储叉车,BISHAMON毘沙门
热卖产品
日本OPK欧琵凯 PL-D350-15S 堆高机 半电动堆高机经济型
日本OPK欧琵凯 PL-H200-12S 堆高机 手动堆高机经济型
日本OPK欧琵凯 PL-H1000-15L 堆高机 手动堆高机
产品资料
talksystem
RefineTec金相
KYOWA(株)協和製作所
MTL微技术实验室
KANTOH升降车
日本JFE气体泄漏检测仪
OPK鸥琵凯
小林铁工
ASUMARU滑纸
MicroSquare微方
MicroStone微石
日本TALKSYSTEM
onikaze赤松电机
SEM坂本电机制作所
MEG
Pioneer先锋
KOTOHIRA琴平工业株式会社
TOSEI-S
MASUDA增田株式会社
SR工程
山本制作所
SHASHIN KAGAKU写真化学
KONSEI近藤E
FUJIFILM富士
SANYU 3U
ATEC爱泰克
KOSHIN工进
MIDORI绿测器
KONSEI近藤
TSK竹内精工
BL AUTOTEC 必爱路
SONOTEC松泰克
TORAY东丽
NICHIDO日动工业
MARUYAMA 日本丸山
日本SANWA
YODONO世殿
OMRON欧姆龙
HAMMER-CASTER铁锤
FUTAMURA日本二村
YUEICASTER优越
OPK欧琵凯
MARTEC马太克
SDG昭和电机
KYOMACHI京町
AMANO安满能
CARRYBEE爱知机械
BISHAMON毘沙门
KOBELCO神戸制钢
NIPPONMUKI日本无机
日本象印
NIHONFILTER大和
ISB井口机工
SISIKU狮子吼
YODOGAWA淀川
TAISEIKOGYO大生
HYSTER海斯特
SAKAGUCUI坂口电热
SUGICO杉国
TOSHIN东信脚轮
日本WELLAIR
YUMEX优美科思
COLSON科顺脚轮
OSAWA大泽
KOLEC克勒斯
TOYOTA日本丰田
yukiwa精工
SMC制御
KAWAHARA日本河源
DAICO大浩研热
FREEBEAR福力百亚
BLICKLE德国比克力
CHIKO智科
TOSEI东正
SUGATSUNE世嘉智尼
SHOWA昭和电机
KASHIYAMA樫山工業
BL DYNAMICS
SIMOGEAR西门子
APEX台湾精锐
ZD中大减速机
NAUGART德国纽卡特
日本FYH法夫和
HIKASAGIKEN日笠技研
IMAO今尾
NABEYA锅屋
NBK
NANABOSHI七星科学
DAIWA DENGYO 大和电业
NB蒽必
NITTO日东
NASCO纳斯科
NOK恩福
SANKYO三协
JINN HER
NORD-LOCK
FASNY
HARDLOCK螺丝
ZEN-G全技研
TAIYO FASTENER螺丝
日本KSSC弹簧
日本TAIYO五金配件
日本SEIKI平键
日本NTN轴承
日本POP铆钉
LS(cabie&system)
SANKO螺栓
IWATA岩田制作所
日本TOGAWA工业软管
日本AOI
ニューマシン
FESTO德国费斯托
NPM日本脉冲马达
PARKERKURODA派克
TV
YAMATO调整器
ITEC-GIKEN
NEXT 日本
日本NEOARK
MIRAI未来工业
MAEDA KOKI前田工机
CHUO SEIKI中央精机
KURABO仓敷
THOMAS
MICRO
AIKOH 爱光
SAMWON 三元
SENTEC 胜铁克
ANRITSU安立计器
FUSO扶桑
PSI
FANUC
DDK**电通
KOHZU神津精机
SURUGA骏和精机
LINE
JANOME
FUJI YUSOKI不二输送机工业
EPSON
DENSO
KAWASAKI川崎重工业
NACHI不二越
YASKAWA安川电机
PANASONIC
MITSUBISHI三菱电机
SATO PARTS佐藤部品
YAMAHA雅马哈
SCHUNK雄克
NEW-ERA新时代
YAMAHA
OTC日本欧地希
ALPHA阿尔法
BL日本阪东
MARUZEN丸善精机
MAKISHINKO
SAKAI酒井制作所
KTR
LAMP
TSUBAKI EMERSON
KSS
SANKEI
KOMATSU小松NTC株式会社
COSMIC
OILES
ISEL
NIPPON GEAR
KAMO加茂精工
MIWA
ASAHI旭精工
FYH日本
LNT
OZAK欧扎克
NSK日本精工
KITAGAWA北川
THK
OJIDEN大阪自动电机
ASOH阿索
SAKAZUME坂诘
KURODA黑田精工
KONAN甲南
MARUYASU丸安
FUJIKOATSU富士高压
FUSOSEIKI扶桑精机
NASCO
EXEN
FINE SINTER
DAIKIN
HAWE
TOYOOKI丰兴
RIKEN
HORIUCHI
YUKEN
SCHMALZ
BRIDGESTONE
NEW-ERA
NKE
KOGANEI小金井
PISCO碧铄科
SHOWA GIKEN昭和技研SGK
NEW MACHINE新机
CHIYODA千代田
MYOTOKU妙徳
ULVAC
FUJILATEX不二精器
HIROTAKA广隆精机
FESTO费斯托
HOWA豊和工业
CKD喜开理
SMC西姆斯
MISUMI米思米
IAI艾卫艾
CONVUM妙徳
NIHON SEIKI日本精器
PIA匹尔克
RIX瑞顾克斯
FURUPLA富如拉
TALK
trusco隔热垫
CHINO日本千野
TOYOX东洋克斯
TAC东拓工业
OSAKATAIYU
简单介绍
的详细介绍
【名
称】
TSUBAKI椿本盘式联轴器NEH系列扭矩8820
【产品型号】
NEH09U-URXUR
【产品价格】
0.00
【品
牌】
TSUBAKI EMERSON
TSUBAKI椿本盘式联轴器NEH系列扭矩8820
NEH09U-URXUR
TSUBAKI EMERSON
联轴器(轴接头)是一种用于连接驱动轴和从动轴的机械元件,可将电机的动力传递到设备。 此外,联轴器在连接驱动轴和从动轴方面发挥着各种作用,例如“吸收轴之间的不对中(安装误差)”、“减轻电机振动”、“防止电机向设备传递热量”以及“在发生任何故障时断开联轴器,从而防止电机或设备发生故障”。
TSUBAKI椿本盘式联轴器NEH系列扭矩8820
产品产商:
会员价格:
0.00
服务:
售前咨询电话:
400-880-5151
产品文档:
无相关文档
如果您对该产品感兴趣的话,可以
TSUBAKI椿本盘式联轴器NEH系列
NEH09U-URXUR
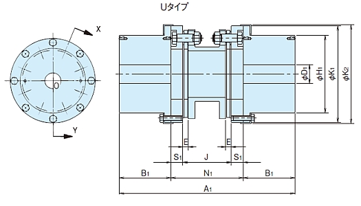
主要规格
传输容量和尺寸表
单位:毫米
允许扭矩
*大转速(
转/分钟)
导向孔
键槽
轴*大直径
ΦD1
扭转刚度
轴向弹簧常数
尼米
千克力·米
牛·米/弧度
千克力·米/弧度
牛/毫米
千克力/毫米
8820
900
5000
50
158
5.19 ×
10⁶
5.3 ×
10⁵
627
64
A
1
B
1
E
H
1
J
K
1
K2
N
1
S
1
535
152
19
228
155
297
313
231
38
允许的偏差
质量(
千克)
转动惯
量
kg·
m²
GD
2
{kgf・m
2
}
角度误差
度
平行结构
轴向
位移
1.4
1.6
±3.2
108
1.2
4.8
如需详细技术资料、报价或选型方案,欢迎致电或QQ联系我们,将为您提供专业服
务
产品留言
标题
联系人
联系电话
内容
验证码
点击换一张
注:1.可以使用快捷键Alt+S或Ctrl+Enter发送信息!
2.如有必要,请您留下您的详细联系方式!
相关产品
TSUBAKI EMERSON,NES250W-D11CXD12C,联轴器 NES250W-D11CXD12C
TSUBAKI EMERSON,NES250W-D5CXD10C,联轴器 NES250W-D5CXD10C
TSUBAKI EMERSON,NES70W-D8CXD12C,联轴器 NES70W-D8CXD12C
TSUBAKI EMERSON,NES100W-D8CXD15C,联轴器 NES100W-D8CXD15C
TSUIBAKI椿本蜗轮减速器环形驱动器TD系列 TD125S10BL
Copyright@ 2003-2026
纳加霍里科技(深圳)有限公司
版权所有
粤ICP备16068019号
粤公网安备44030602001861号